Published:2009/7/1 23:01:00 Author:May | From:SeekIC

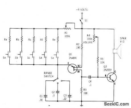
Combination of five individual resistor switches and three-ca-pacitor range switch gives 15 different audio frequencies for demonstration electronic organ oscillator feeding power amplifier and Ioud-speaker. R1 is adjusted for best combination of sounds. Any number of capacitors can be added. Battery drain is about 35 mA during operation. Pleasing tone sequence is obtained with resistor values of 6.8K. 8.2K. 10K. 12K. and 15K when range switch is set to 0.1,μF.-F. M.Mims. Electronic Music Projects.Vol. 1. Radio Shack. Fort Worth. TX. 1977. 2nd Ed. p 37-43.
Reprinted Url Of This Article:
http://www.seekic.com/circuit_diagram/Basic_Circuit/WIDE_RANGE_UJT_ORGAN.html
Print this Page | Comments | Reading(3)
Code: