Published:2009/7/12 21:39:00 Author:May | From:SeekIC

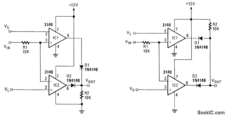
In Fig. 104-3(a), when YIN is between reference voltages VL and VU, output VOUT goes low. If VIN >VL IC2 produces a low. Because IC1 outputs low, if VIN>VU, both outputs are low and VOUT is low. If VIN<VL both IC1 and IC2 are low. Figure 104-3(b) operates the reverse of this; it produces a high when VL<VIN < VU.
Reprinted Url Of This Article:
http://www.seekic.com/circuit_diagram/Basic_Circuit/WINDOW_COMPARATORS.html
Print this Page | Comments | Reading(3)
Code: