Published:2009/7/8 22:08:00 Author:May | From:SeekIC


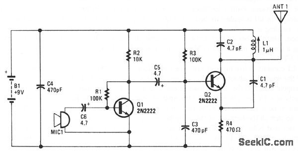
Transistor Q1 acts as an amplifier for condenser microphone MIC1. The output of Q1 is applied to the base of transistor Q2 through a 4.7- μF capacitor. C2 and L1 form an LC tank circuit, which is used to set the frequency at which the transmitter operates. Coil L1 is a variable inductor, centered a bit below 1 μH, that is used to adjust the modulating frequency of the circuit. Capacitors C1 and C2 are 4.7 pF units. A lower value can be used to raise the circuit's operating frequency. The microphone and Q1 provide a vary-ing voltage at the base of Q2, with the output of Q2 applied to the LC tank circuit. That causes a modulating action in the tank circuit that, when applied to the antenna, a short piece of wire 6- to 8-inches long, will provide a good, clear FM signal somewhere in the range of 88 to 95 MHz with a range of about 100 feet.
Reprinted Url Of This Article:
http://www.seekic.com/circuit_diagram/Basic_Circuit/WIRELESS_FM_MICROPHONE.html
Print this Page | Comments | Reading(3)
Code: