Published:2009/7/9 20:20:00 Author:May | From:SeekIC


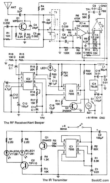
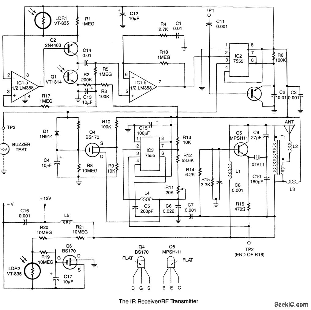
This system contains an IR transmitter, an IR receiver/RF transmitter, and an RF receiver/alert beeper. Two IR LEDs in the transmitter transmit a pulsed beam of invisible infrared light to the receiver, which contains an IR phototransistor. The phototransistor detects and amplifies the pulse-modulated IR beam. If the receiver section senses that the IR beam is momentarily interrupted by an object blocking the beam's path, it triggers the transmitter, which outputs a 49.890-MHz carrier that is amplitude-modulated by a 490-Hz tone.
Upon receiving the 490-Hz amplitude-modulated carrier, the RF receiver/beeper unit sounds an alarm that alerts the user to the intrusion. The system is not limited to just one RF transmitter. A single RF receiver/beeper can be used to monitor any number of RF transmitters (or locations). However, the receiver/beeper unit cannot discriminate between different transmitter sites in multiple-transmitter systems.
Reprinted Url Of This Article:
http://www.seekic.com/circuit_diagram/Basic_Circuit/WIRELESS_IR_SECURITY_SYSTEM.html
Print this Page | Comments | Reading(3)
Code: