Published:2011/5/29 9:01:00 Author:Christina | Keyword: Water level, indicator | From:SeekIC

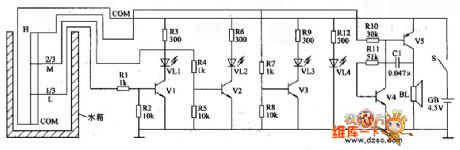
The water level indicator circuit is composed of the three-stage water level indicator circuit and the audio oscillator, as the figure shows.
The three stages water level indicator circuit is composed of the water-level sensor, the transistors Vl-V3, the light-emitting diodes Rl-R9. The low water level (1/3 water level) display circuit is composed of the VLl and Vl, Rl, R3; the 2/3 water level display circuit is composed of the VL2, R4-R6, V2; the high water level display circuit is composed of the VL3 and R7-R9, V3.
The audio oscillator is composed of the transistors V4 and V5, the resistors RlO and RII, the capacitor C.
The VL4 is the power indicator light emitting diode; the BL is the fuu-water alarm speaker.
When the water level of the water tank is lower than the low water level electrode L, the Vl-V3 cut off, the VLl-VL3 turn off.
Reprinted Url Of This Article:
http://www.seekic.com/circuit_diagram/Basic_Circuit/Water_level_indicator_circuit_3.html
Print this Page | Comments | Reading(3)
Code: