Published:2011/6/10 4:14:00 Author:Lucas | Keyword: Welder , no-load , power saver | From:SeekIC

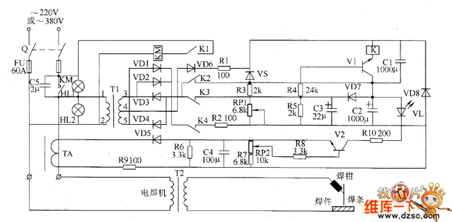
The welder no-load power saver circuit is composed of the current detection circuit, power supply circuit and switching control circuit and other components, and the circuit is shown as the chart. Current detection circuit is composed of the current transformer TA, rectifier diode VD5, transistor V2, potentiometers RP2 and related peripheral components. Power supply circuit is composed of the capacitor C5, power switch Q, signal transformer T1, rectifier diodes VD1 ~ VD4, VD6, VD7, Zener diode vs and filter capacitors C1 ~ C3 and other components. Switch control circuit consists of transistor V1, AC contactor KM and relay K and so on. R1 and R2 select 1W metal film resistors; R3 ~ R1O select 1W metal film resistors. RP1, RP2 select WH118 series of small synthetic carbon film potentiometer.
Reprinted Url Of This Article:
http://www.seekic.com/circuit_diagram/Basic_Circuit/Welder_no_load_power_saver_circuit_diagarm_12.html
Print this Page | Comments | Reading(3)
Code: