Published:2011/6/10 5:58:00 Author:Lucas | Keyword: Welder , no-load , power saver | From:SeekIC

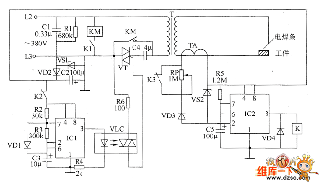
The welder no-load power saver circuit is composed of the power supply circuit, pulse oscillator, monostable trigger and control circuit and other components, and the circuit is shown as the chart. Power supply circuit consists of step-down capacitor C1, resistor R1, Zener diode VS1, rectifier diode VD2 and filter capacitor C2 and so on. Pulse oscillator is composed of the time-base integrated circuit IC1 and external components. Monostable trigger is composed of the time-base integrated circuit IC2, capacitor C5 and resistor R5 and so on. Control circuit is composed of the optical coupler VLC, relay K, AC contactor KM and Triac VT and other components. R1 uses 1W carbon film resistor: R2 ~ R6 select 1/4W carbon film resistors. RP uses solid potentiometer. C2, C3 and C5 select the aluminum electrolytic capacitors with the voltage being 16V.
Reprinted Url Of This Article:
http://www.seekic.com/circuit_diagram/Basic_Circuit/Welder_no_load_power_saver_circuit_diagarm_2.html
Print this Page | Comments | Reading(3)
Code: