Published:2011/6/10 6:06:00 Author:Lucas | Keyword: Welder, no-load , power saver | From:SeekIC

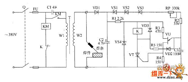
The welder no-load power saver circuit is composed of the power supply circuit, delay trigger circuit and the control implementation circuit, and the circuit is shown as the chart. Power supply circuit is composed of the knife switch Q, fuse FU, the normally open contact of AC contactor KM, welding transformer T, rectifier diode VD1, filter capacitor C2, Zener diode VS1 and current limiting resistor R1. The delay trigger circuit consists of Zener diodes VS2 and VS3, potentiometer RP, resistors R2 ~ R5, capacitor C3, diode VD2 and single-junction transistor VU. The control implementation circuit is composed of the relay K, diode VD3, thyristor VT, AC contactor KM and capacitor C1. R1 uses 1/2W metal film resistor; R2 ~ R5 select 1/4W metal film resistors.
Reprinted Url Of This Article:
http://www.seekic.com/circuit_diagram/Basic_Circuit/Welder_no_load_power_saver_circuit_diagarm_3.html
Print this Page | Comments | Reading(3)
Code: