Published:2011/6/10 5:41:00 Author:Lucas | Keyword: Welder, no-load , power saver | From:SeekIC

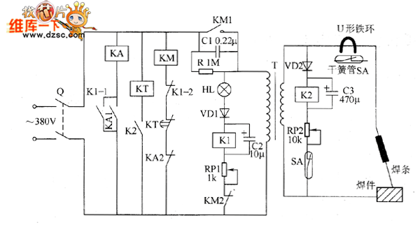
The welder no-load power saver circuit is composed of the knife switch Q, relays K1 and K2, relay KA, AC contactor KM, time relay KT, reed SA, diodes VD1 and VD2, LED HL, resistor R, capacitors C1 ~ C3, potentiometers RP1 and RP2 and the welding transformer T, and the circuit is shown as the chart. R uses 1/4W metal film resistor. RP1 and RP2 use 2W wire-wound resistors. C1 uses the CBB capacitor with the voltage being 630V; C2 uses the aluminium electrolytic capacitor with the voltage being 50V; C3 uses the aluminium electrolytic capacitor with the voltage being 16V. VD1 and VD2 use 1N4007 silicon rectifier diodes. KA uses the intermediate relay with the coil voltage selection 380V (or 220V) AC.
Reprinted Url Of This Article:
http://www.seekic.com/circuit_diagram/Basic_Circuit/Welder_no_load_power_saver_circuit_diagarm_8.html
Print this Page | Comments | Reading(3)
Code: