Published:2009/7/6 2:01:00 Author:May | From:SeekIC

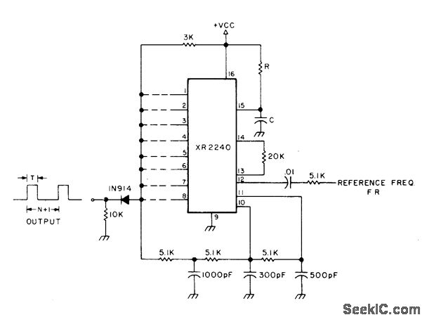
Circuit uses XR2240 programmable timer/counter for simultaneous multiplication of input frequency FR by factor of M and division of input frequency by factor of N + 1, where M and N are integers selected by appropriate connections of binary pins 1-8 to common output bus. Output frequency is then FR(M)/(1 + N) where M is between 1 and 10 inclusive and N is between 1 and 255 inclusive.VCC is 4-15 V.-H. M. Berlin, IC Timer Review, 73 Magazine, Jan. 1978, p 40-45.
Reprinted Url Of This Article:
http://www.seekic.com/circuit_diagram/Basic_Circuit/XR2240_XYNTHESIZER_.html
Print this Page | Comments | Reading(3)
Code: