About SeekIC | Services | Payment | Advertisements service | Contact Us | Links
© 2008-2012 SeekIC.com Corp.All Rights Reserved.
Published:2009/7/23 21:20:00 Author:Jessie | From:SeekIC


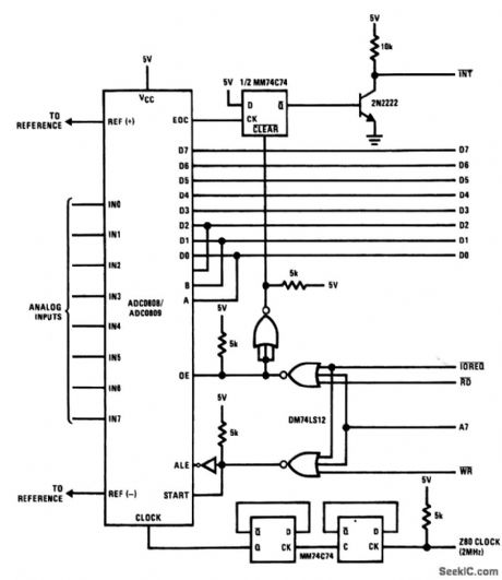
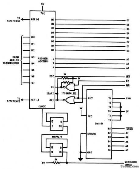
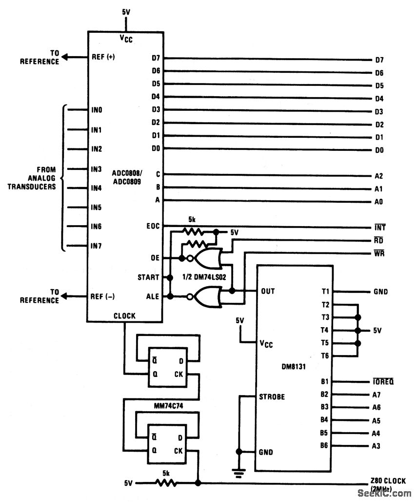
This circuit shows a Z80 interface for the ADC0808/0809 where the DM8131 decodes 5 address bits and the IOREQ I/O request strobe. Two NOR gates gate the RD and WR strobes for ALE, START, and OE inputs.
Reprinted Url Of This Article:
http://www.seekic.com/circuit_diagram/Basic_Circuit/Z80_interface_with_partial_decoding_for_A_D_converter.html
Print this Page | Comments | Reading(3)
Response in 12 hours
© 2008-2012 SeekIC.com Corp.All Rights Reserved.
Code: