Published:2009/7/14 23:07:00 Author:Jessie | From:SeekIC

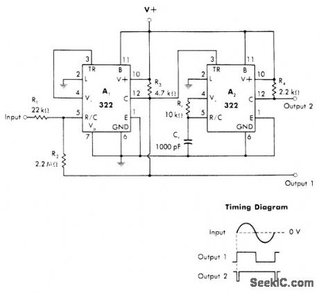
Output 1 of 322 comparator A1 is high when input signal is above zero and low when input is below zero. Output of comparator A1 is thus square wave in phase with zero crossings of input. When R1, is 22K, input can be up to ±10 V amplitude. A2 is mono MVBR connected to fire when output 1 of A1 goes high (at zero crossings). Resulting negative-going narrow pulses at output 2 are useful for time marks.-W. G. Jung, IC Timer Cook-book, Howard W. Sams, Indianapolis, IN, 1977, p 152.
Reprinted Url Of This Article:
http://www.seekic.com/circuit_diagram/Basic_Circuit/ZERO_CROSSING_DETECTOR.html
Print this Page | Comments | Reading(3)
Code: