Published:2009/7/14 4:37:00 Author:May | From:SeekIC

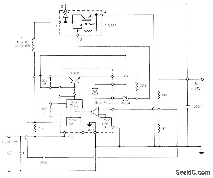
Combination of PIC635 boost switching regulator and TL497 control circuit accepts DC input voltage and provides regulated output voltage that must be greater than input voltage. When transistor switch is turned on, input voltage is applied across L. When transistor is turned off, energy stored in L is transferred through diode to load where it adds to energy transferred directly from input to output during diode conduction time, Output voltage is regulated by controlling duty cycle.- Flyback and Boost Switching Regulator Design Guide, Unitrode, Watertown, MA, 1978, U-76, p 9.
Reprinted Url Of This Article:
http://www.seekic.com/circuit_diagram/Basic_Circuit/_24_V_FROM__12_V_AT_2_A.html
Print this Page | Comments | Reading(3)
Code: