Published:2009/7/5 23:51:00 Author:May | From:SeekIC

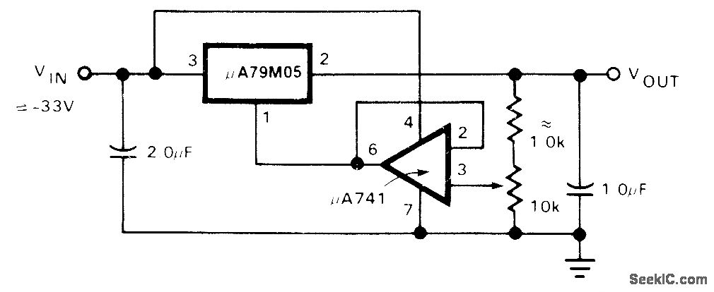
Circuit uses Signetics μA79M05 adjustable voltage regulator in combination with 741 opamp to give wide negative output voltage range. Regulator includes thermal overload protection and internal short-circuit protection. Input voltage should be at least 3V more negative than maximum output volt-age desired.- Signetics Analog Data Manual, Signetics, Sunnyvale, CA, 1977, p 670.
Reprinted Url Of This Article:
http://www.seekic.com/circuit_diagram/Basic_Circuit/_30V_TO__7V.html
Print this Page | Comments | Reading(3)
Code: