Published:2009/7/8 23:24:00 Author:May | From:SeekIC

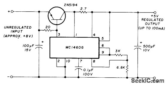
Series power transistor and Motorola IC voltage regulator provide up to 100 mA. IC shown has been replaced by MC1469. Equivalents made by other manufac-turers can also be used.-H. Olson, Power-Sup-ply Servicing, Ham Radio, Nov. 1976, p 44-50.
Reprinted Url Of This Article:
http://www.seekic.com/circuit_diagram/Basic_Circuit/_5V_WITH_MC146OG.html
Print this Page | Comments | Reading(3)
Code: