Published:2009/7/6 7:10:00 Author:May | From:SeekIC

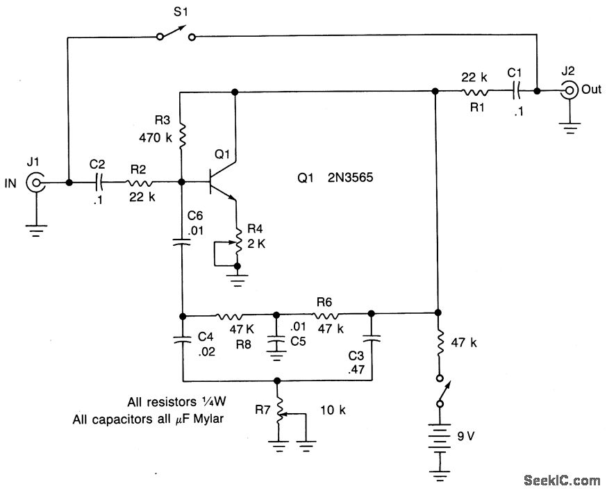
Adjusting potentiometer R7 adds extra twang from way down low to way up high.To set the unit,adjust potentiometer R4 until you hear a whistle (oscillation); then back off R4 until the oscillation just ceases. The effect can be varied from bass to treble by R7.
Reprinted Url Of This Article:
http://www.seekic.com/circuit_diagram/Basic_Circuit/_FUNK_BOX.html
Print this Page | Comments | Reading(3)
Code: