Published:2009/7/13 21:53:00 Author:May | From:SeekIC

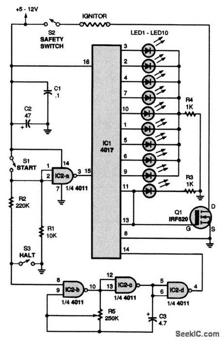
A 4011 quad two-input NAND gale and a 4017 decade-counter/divider IC are the heart of the launcher Transistor Q1,an IRF520 hexFET,sends the current through the igniter fuse to fire the rocket engine Two gates of a 4011 NAND gate,IC2-b and IC2-c,are connected in a low-frequencyoscillator circuit,with R5 and C3 setting the oscillator's frequency.Another gate of that IC,IC2-a,starts the countdown and sets pin 15 of the 4017 to the Run condition The IC's fourth gate,IC2-d,inverts and buffers the oscillator's output and supplies the clock input to pin 14 of the 4017. The 10 LEDs indicate the count. When the last one (LEDl) turns on, pin 11 goes high, turning Q1 on and firing the igniter fuse. The last LED, LED1, will remain on until S1 is switched off. The countdown can be halted by closing S3. Opening S3 continues the countdown.
Reprinted Url Of This Article:
http://www.seekic.com/circuit_diagram/Basic_Circuit/_LED_ROCKET_COUNTDOWN_LAUNCHER.html
Print this Page | Comments | Reading(3)
Code: