Published:2009/7/7 22:58:00 Author:May | From:SeekIC

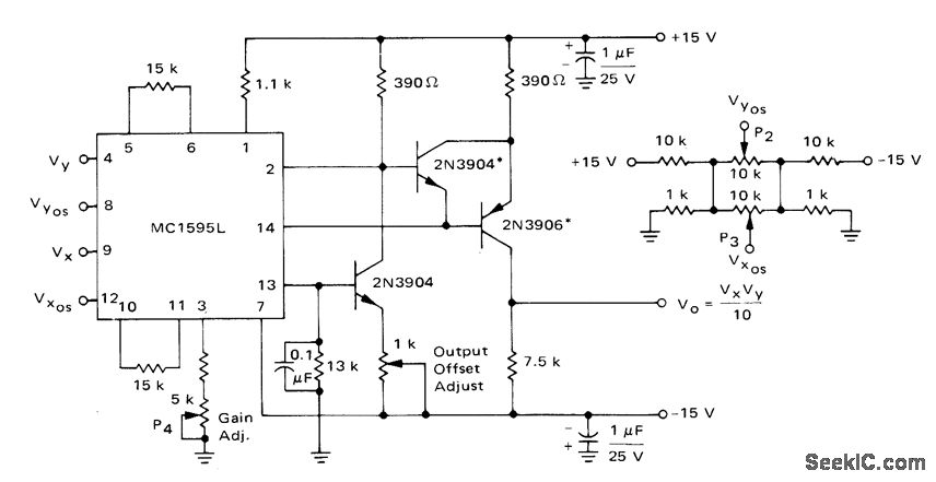
Transistors connected to Motorola MC1595L linear four-quadrant multiplier perform level shifting for applications requiring output having ground reference. Temperature sensitivity of circuit is minimized by using complementary transistors in same package, such as MD6100, in place of upper two transistors. If high output impedance and low current drive are drawbacks, opamp can be connected as source-follower output stage.-E. Renschler, Analysis and Basic 0peration of the MC1595, Motorola, Phoenix, AZ, 1975, AN-489, p 10.
Reprinted Url Of This Article:
http://www.seekic.com/circuit_diagram/Basic_Circuit/_OUTPUT_LEVEL_SHIFTER.html
Print this Page | Comments | Reading(3)
Code: