Published:2009/7/11 2:29:00 Author:May | From:SeekIC

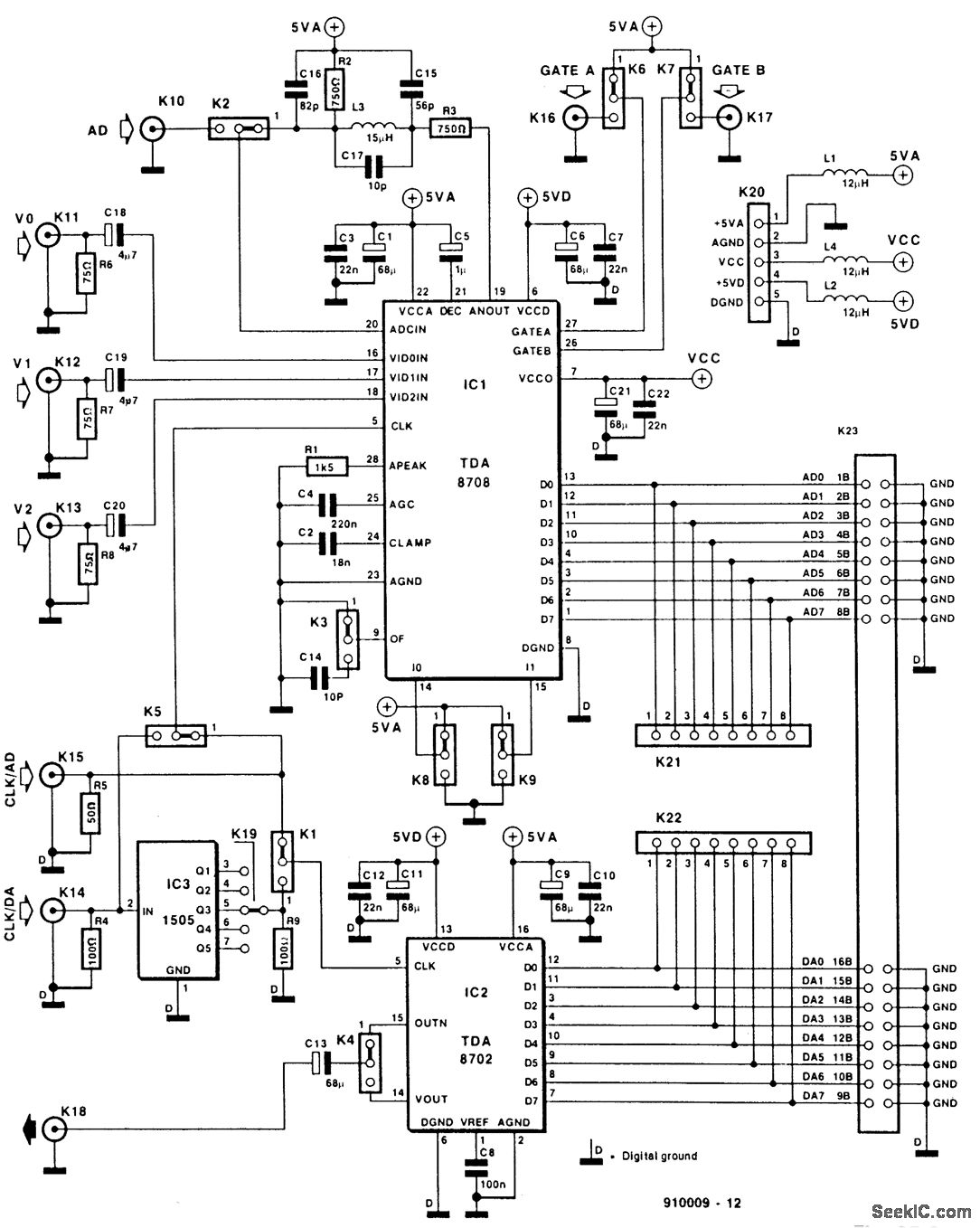
This circuit is useful for digital video experiments and for interfacing video with a computer that has a TDA8708 (Philips). The A/D converter provides 8-bit digitized video to k23 socket and k21 socket. A TDA8702 (Philips) D/A converter recovers analog video. IC3 is a 1- to 5-ms delay line (1505) to delay clock pulses in 1-ms steps to the DiA converter. Clock speeds can be up to 30 MHz. Three video inputs are provided for three analog channels (e.g., R, G, B video).
Reprinted Url Of This Article:
http://www.seekic.com/circuit_diagram/Basic_Circuit/_VIDEO_A_D-D_A_CONVERTER.html
Print this Page | Comments | Reading(3)
Code: