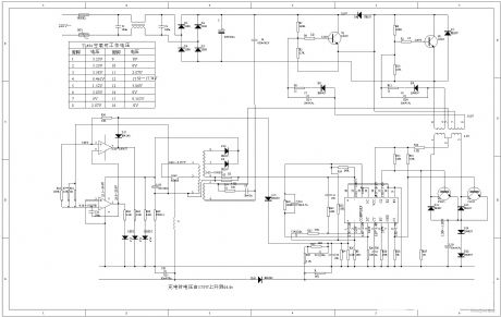
Published:2011/5/30 21:00:00 Author:Fiona | Keyword: automatic battery charger, intelligent pulse electric bicycle | From:SeekIC

Reprinted Url Of This Article:
http://www.seekic.com/circuit_diagram/Basic_Circuit/automatic_battery_charger_circuit_of_intelligent_pulse_electric_bicycle.html
Print this Page | Comments | Reading(3)
Code: