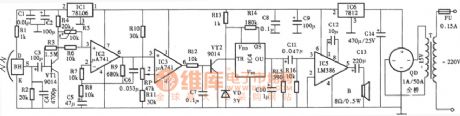
Published:2011/6/29 0:58:00 Author:chopper | Keyword: electric shock, alarm | From:SeekIC

Reprinted Url Of This Article:
http://www.seekic.com/circuit_diagram/Basic_Circuit/electric_shock_alarm_circuit3.html
Print this Page | Comments | Reading(3)
Code: