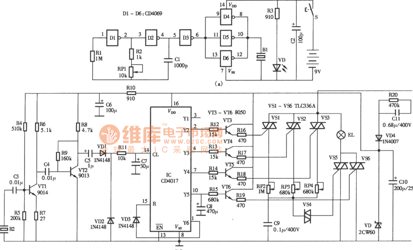
Published:2011/6/30 1:37:00 Author:chopper | Keyword: ultrasonic, remote control, jacklight circuit | From:SeekIC

Reprinted Url Of This Article:
http://www.seekic.com/circuit_diagram/Basic_Circuit/ultrasonic_remote_control_jacklight_circuit.html
Print this Page | Comments | Reading(3)
Code: