Published:2009/7/19 22:19:00 Author:Jessie | From:SeekIC

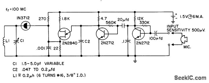
Signal picked up by microphone is amplified by first 2N2712, which turns off second 2N2712, allowing C1 to charge up and ire 2N2840 unijunction oscillator, producing pulse that modulates tunnel-diode transmitter.- Transistor Manual, Seventh Edition, General Electric Co., 1964, p 362.
Reprinted Url Of This Article:
http://www.seekic.com/circuit_diagram/Communication_Circuit/100_MC_LINK_TRANSMITTER.html
Print this Page | Comments | Reading(3)
Code: