Published:2009/7/6 6:34:00 Author:May | From:SeekIC

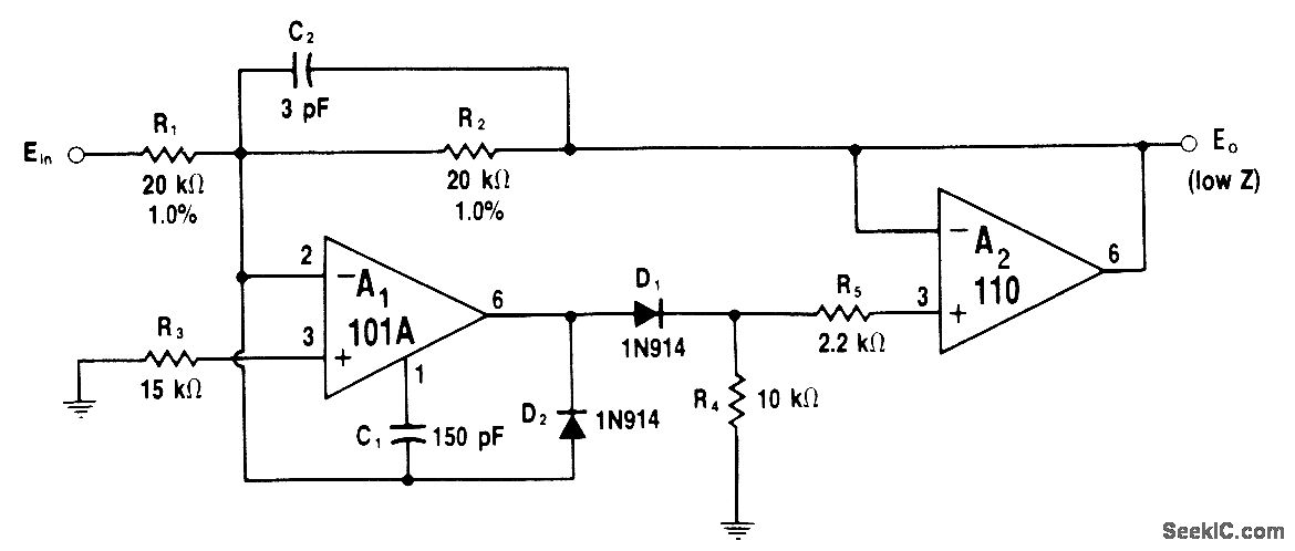
High-speed 110 voltage follower is used within feedback loop of A1 to maintain low output impedance for precision half-wave rectifier, When input signal is positive, D1 and R4 rectify signal and A2 follows this signal. On opposite alternations, D1 is off and feedback loop of A2 is closed through D2 so output terminal is maintained at low impedance. For opposite output polarity, reverse diode connections.-W. G. Jung, IC Op-Amp Cookbook, Howard W. Sams, Indianapolis, IN, 1974, p 192.
Reprinted Url Of This Article:
http://www.seekic.com/circuit_diagram/Communication_Circuit/100_kHz_BUFFERED_RECTIFIER.html
Print this Page | Comments | Reading(3)
Code: