Published:2009/6/30 2:09:00 Author:May | From:SeekIC

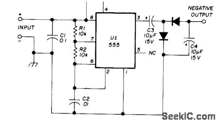
Bipolar inverter and rectifier together provide -11 V from 12-V auto battery for operdting highthreshold MOS logic of portable or automotive equipment. Transistor and diode types are not critical. Multivibrator draws only 1.2 mA from battery on standby and supplies 12 mA from negative output terminal.—B. Fette, Inexpensive Inverters Generate VGG for Portable MOS Applications, EDN|EEE Magazine, Dec.15, 1971, p 51.
Reprinted Url Of This Article:
http://www.seekic.com/circuit_diagram/Communication_Circuit/12_V_TO__11_V_WITH_TRANSISTORS.html
Print this Page | Comments | Reading(3)
Code: