Published:2009/7/7 2:35:00 Author:May | From:SeekIC

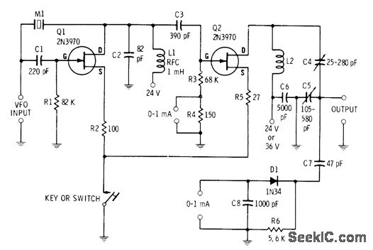
Low-power two-stage FET transmitter for 80-meter amateur band uses Pierce crystal oscillator that requires no output resonant ci.rcuit. DC milliammeter can be connected across 150-ohm resistor in gate circuit of second transistor to indicate strength of oscillator output signal, Resonant circuit of RF amplifier Q2 uses toroid L2 (56turns No, 24 enamel 13/16-in Permacor 57-1541 core) and two series-connected trimmers. Milliam-meter is connected across C8 when level of BF output voltage js to be measured.-E. M. Noll, FET Principles, Experiments, and Projects, Howard W. Sams, Indianapolis, IN, 2nd Ed., 1975,p 204-207.
Reprinted Url Of This Article:
http://www.seekic.com/circuit_diagram/Communication_Circuit/1_4_W_CW_TRANSMITTER.html
Print this Page | Comments | Reading(3)
Code: