Published:2009/7/8 21:59:00 Author:May | From:SeekIC

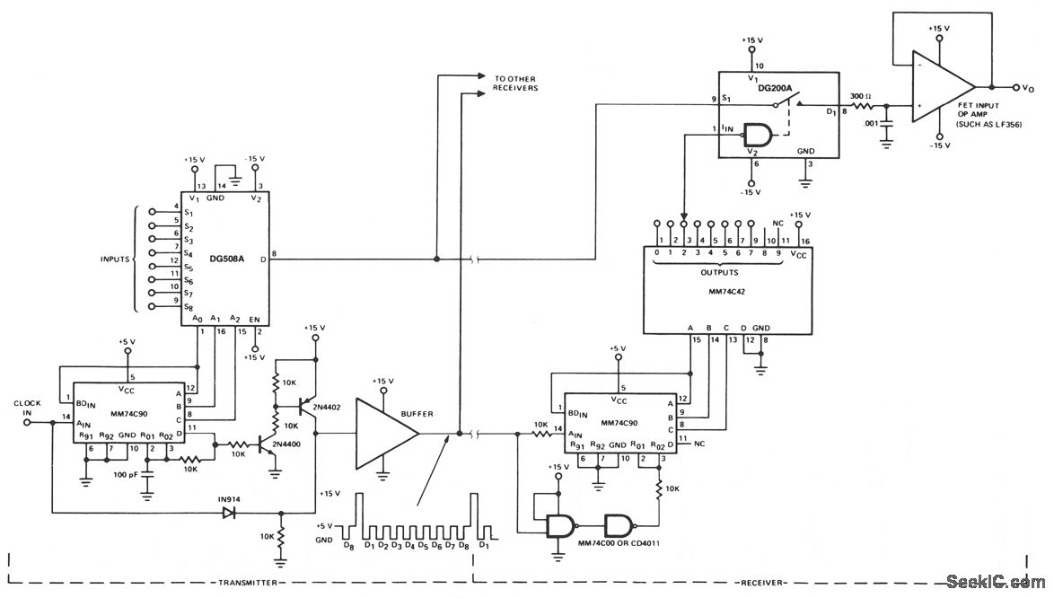
This circuit shows a typical multiplex system intended to carry one of 8 inputs into a remote location.A 5-V pulse train is sent down a separate channel to perform timing and synchronizing functions. A 15-V reset pulse is superimposed on the 5-V clock, which is detected by the MM74C00 in the receiver. Using this system, many remote points can be monitored, one at a time, at any of several locations.
Reprinted Url Of This Article:
http://www.seekic.com/circuit_diagram/Communication_Circuit/1_OF_8_OHANNEL_TRANSMISSION_SYSTEM.html
Print this Page | Comments | Reading(3)
Code: