Published:2009/7/15 2:56:00 Author:Jessie | From:SeekIC

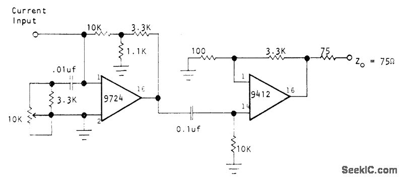
Uses Optical Electronics 9724 opamp for input stage and 9412 opamp for output stage. Current input can be from vidicon or image orthicon camera tube. Input compensation can be adjusted to provide aperture correction. Feedback network for input opamp minimizes effects of stray capacitance Values shown give 1-V output for 1-μA input.-“A 25 MHz Video Preamplifier-Line Drivel,” Optical Electronics, Tucson, AZ, Application Tip 10195.
Reprinted Url Of This Article:
http://www.seekic.com/circuit_diagram/Communication_Circuit/25_MHz_VIDEO_PREAMP.html
Print this Page | Comments | Reading(3)
Code: