Published:2009/7/8 5:15:00 Author:May | From:SeekIC

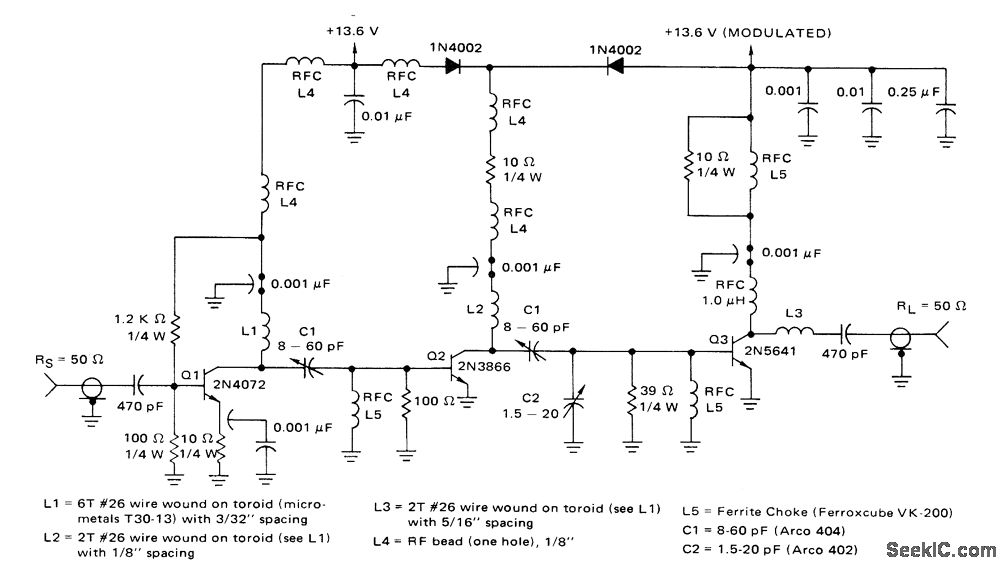
Oper-atesfrom 13.6-V supply,covers frequency rangeof 118-136 MHz without tuning,and has 50-ohm input and output terminations. Only three transistor stages are required. Diodes limit downward modulation to Q2. Upward modu-lation is 95%. Supply drain is 345 mA.- A 13-W Broadband AM Aircraft Transmitter, Moto-rola, Phoenix, AZ, 1974, AN-507, p 5.
Reprinted Url Of This Article:
http://www.seekic.com/circuit_diagram/Communication_Circuit/25_W_AIRCRAFR_AM_TRANSMΠTER.html
Print this Page | Comments | Reading(3)
Code: