Published:2009/6/17 22:04:00 Author:May | From:SeekIC

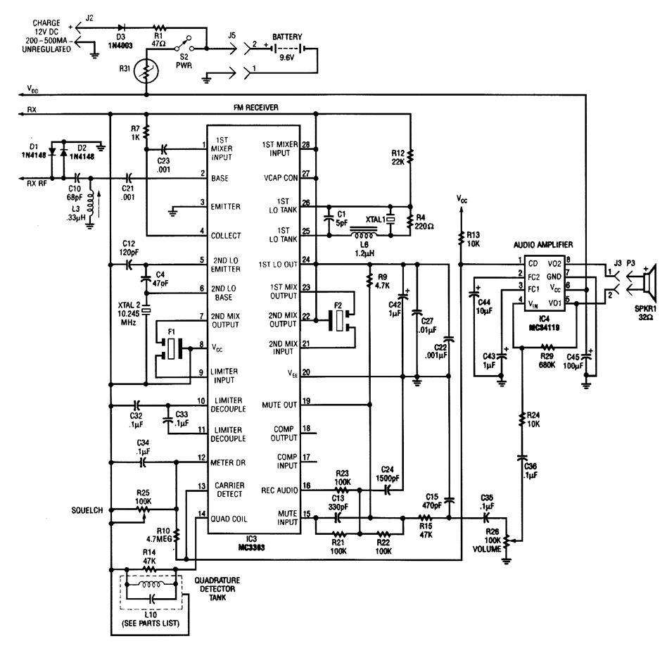
Using a Motorola MC3363 LSI one-chip FM receiver, the circuit is a dual-conversion FM receiver with a 10.7-MHz IF chain. IC4 provides power to drive a small speaker.
Reprinted Url Of This Article:
http://www.seekic.com/circuit_diagram/Communication_Circuit/27145_MHz_NBFM_RECEIVER.html
Print this Page | Comments | Reading(3)
Code: