Published:2009/7/13 5:17:00 Author:May | From:SeekIC

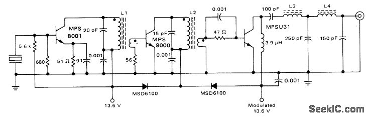
Class D circuit using economical plastic transistors operates from 12-V auto battery. 100% amplitude modulation requires about 2.5-W audio input. Modulator uses MSD6100 dual diode in modulated power supply system, with one diode in series with modulated supply voltage to MPS8000 driver to prevent driver from being down-modulated. Other diode maintains drive to final while final is being down-modulated, to make100% modulation easy to obtain. All coils are wound on 1/4-inch coil forms with No. 22 wire, with Carbonyl J 1/4× 3/8 inch cores in each. 2-turn secondaries are wound over bottom of primaries. L1 is 12 turns, L2 is 18, L3 is 7, and L4 is 5.-G. Young, A Class D Citizen's Band Transmitter Using Low-Cost Plastic Transistors, Motorola, Phoenix, AZ, 1975, AN-596.
Reprinted Url Of This Article:
http://www.seekic.com/circuit_diagram/Communication_Circuit/35_W_TRANSMITTER.html
Print this Page | Comments | Reading(3)
Code: