Published:2011/9/15 1:53:00 Author:Rebekka | Keyword: communications circuit | From:SeekIC

Reprinted Url Of This Article:
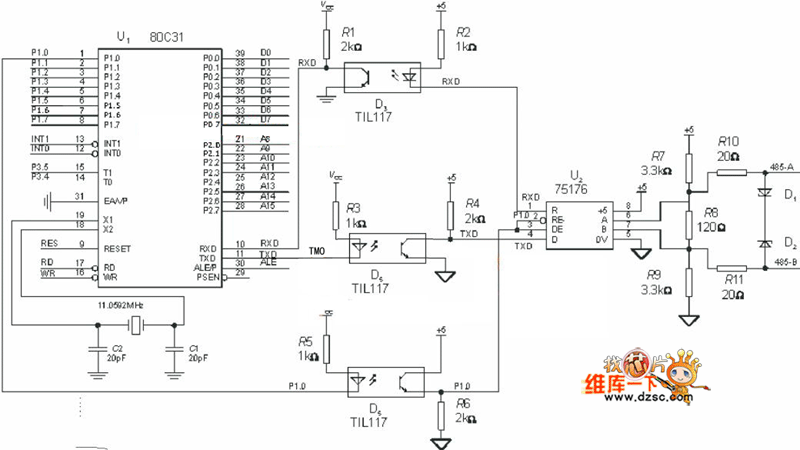
http://www.seekic.com/circuit_diagram/Communication_Circuit/485_and_75176_communications_circuit_diagram.html
Print this Page | Comments | Reading(3)
Code: