Published:2009/7/6 5:04:00 Author:May | From:SeekIC

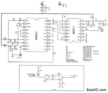
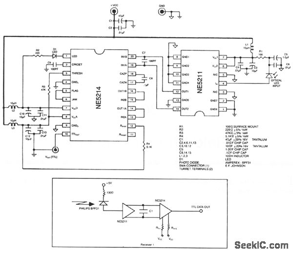
The optical signal is coupled to the pin diode. Current flowing in the diode also flows into the input of the NE5211 preamplifier. The preamplifter is a fixed-gain block that has a 28-KΩ differential transimpedance and does a single-ended to differential conversion. With the signal in differential form, greater noise immunity is assured. The second stage, or postamplifter NE5214, includes a gain block, auto-zero detection, and limiting. The auto-zero circuit allows dc coupling of the preamplifier and the postamplifter and cancels the signal dependent offset because of the optical-to-electrical conversion. The auto-zero capacitor must be 1000 pF or greater for proper operation. The peak detector has an external threshold adjust-ment, RTH, allowing the system designer to tailor the threshold to the individual's need. Hysteresis included to minimize jitter introduced by the peak detector, and an extemal resistor, RHYS, is used to set the amount of hysteresis desired. The output stage provides a single-ended TTL data signal with matched rise and fall times to minimize duty-cycle distortion.
Reprinted Url Of This Article:
http://www.seekic.com/circuit_diagram/Communication_Circuit/50_Mb_s_FIBER_OPTIC_RECEIVER.html
Print this Page | Comments | Reading(3)
Code: