Published:2009/6/18 2:55:00 Author:May | From:SeekIC

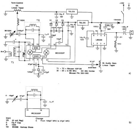
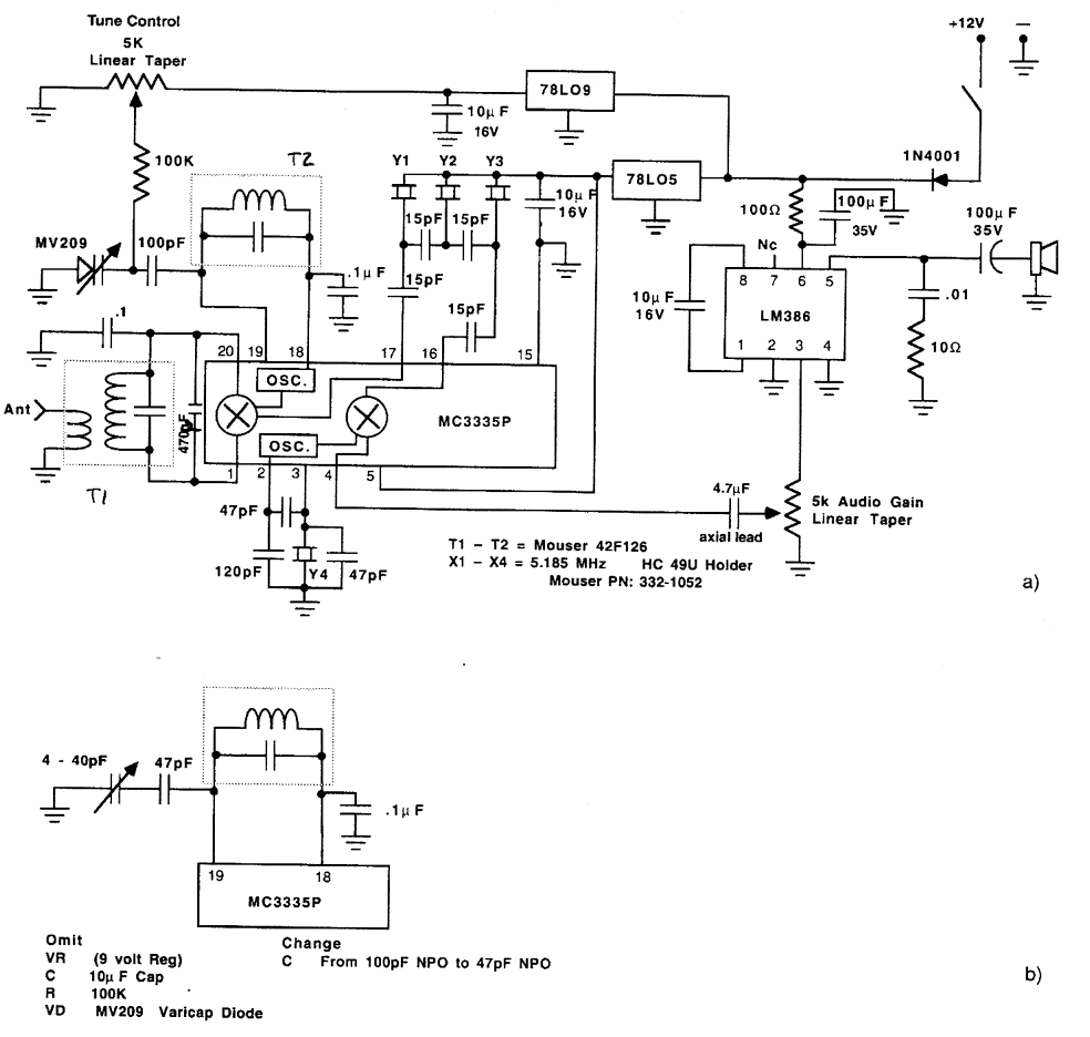
This circuit uses an MC3335P IF chip and features a 3-pole crystal filter made from microprocessor crystals. Tuning is done either with a varactor diode or air-variable capacitor, as shown.Values are for 80 meters.
Reprinted Url Of This Article:
http://www.seekic.com/circuit_diagram/Communication_Circuit/80_METER_SSB_RECEIVER.html
Print this Page | Comments | Reading(3)
Code: