Published:2009/7/5 21:58:00 Author:May | From:SeekIC

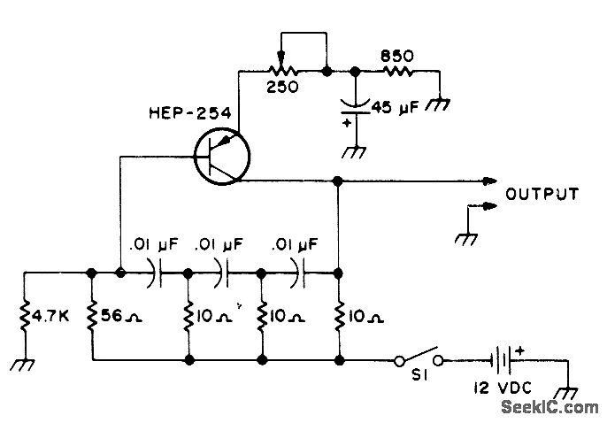
Ladder network determines frequency. For higher frequencies, decrease values of capaeitors in network.Circuit also works with OC-2. SK-3004. and AT30H transistors.-Circuits. 73 Magazine. May 1977. p 31.
Reprinted Url Of This Article:
http://www.seekic.com/circuit_diagram/Communication_Circuit/8OO_Hz_SINGLE_TRANSlSTOR.html
Print this Page | Comments | Reading(3)
Code: