Published:2009/7/15 2:05:00 Author:Jessie | From:SeekIC

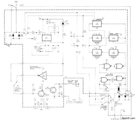
Complete terminal unit and AFSK tone generator for VHF bands synthesizes tones digitally for 170-Hz narrow shift and 850-Hz standard shift found in VHF amateur RTTY bands. Additional feature is PLL circuit that follows drifting signal and copies signals from which mark or space information is missing. Precision AFSK generator consists of 5.95-MHz crystal oscillator U3, divide-by-1 IC U6, and divide-by-2 IC U8, resulting in symmetrical 2975-Hz square wave at pin 12 of U8. Programmable counter U7 divides 59.5 kHz down to 4250 Hz. Other half of U8 divides this by 2, to give symmetrical 2125-Hz squeal wave at pin 9 of U8. Square waves are converted to trapezoids, with tops smoothed by CR3 and CR4, to give 1 V P-P quasi-sine waves at output. Demodulator U1 compares incoming frequencies to its internal current-controlled oscillator and generates digital signals when they are identical. Internal oscillator is locked to incoming signal if within detection bandwidth of about 220 Hz for 2125 Hz with 170-Hz shift. At 2975 Hz, detection bandwidth is about ±135 Hz.-J.Loughmiller, Digiratt-RTTY AFSK Generator and Demodulator, Ham Radio, Sept.1977,p 26-28.
Reprinted Url Of This Article:
http://www.seekic.com/circuit_diagram/Communication_Circuit/AFSK_WITH_PLL.html
Print this Page | Comments | Reading(3)
Code: