Published:2009/7/15 2:54:00 Author:Jessie | From:SeekIC

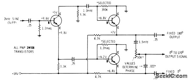
Developed for testing chroma demodulator in color TV receiver. Audio oscillator is used as source of sine waves. First stage is phase inverter, followed by two emitter-followers. Resulting output signals of opposite phase are combined through a small capacitor (0.022μF, selected for frequency used) from one channel and 50K variable resistor from other channel. 90°phases are judged by position of sine waves on screen of CRO; 90° is halfway between 0° and 180°.-C. Babcoke, Waveforms Explain Chroma Demodulators, Electronic Servicing, Sept. 1972, p 22-23, 26-28, and 30.
Reprinted Url Of This Article:
http://www.seekic.com/circuit_diagram/Communication_Circuit/AF_PHASE_SHIFTER.html
Print this Page | Comments | Reading(3)
Code: