Published:2009/7/15 4:39:00 Author:Jessie | From:SeekIC

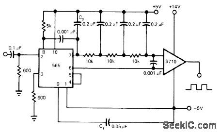
Developed for frequency-shift keying used in data transmission over wires, in which inputs vary carrier between two preset frequencies corresponding to low and high states of binary input signal. Circuit uses elaborate filter to separate modulated signal from carrier signal passed by PLL. 565 PLL provides reference for S710 comparator. Article gives design equations. -E. Murthi, Monolithic Phase-Locked Loops-Ana-logs Do All the Work of Digitals, and Much More, EDN Magazine, Sept. 5, 1977, p 59-64.
Reprinted Url Of This Article:
http://www.seekic.com/circuit_diagram/Communication_Circuit/ANALOG_PLL_IN_FSK_DEMODULATOR.html
Print this Page | Comments | Reading(3)
Code: