Published:2009/6/19 4:00:00 Author:May | From:SeekIC

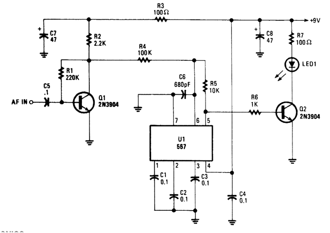
This circuit produces an effect similar to frequency modulation (FM) by varying the voltage at pin 6 of the PLL using an audio signal. The FM 1R signal can be picked up by a receiver with an FM detector suitably tuned.
Reprinted Url Of This Article:
http://www.seekic.com/circuit_diagram/Communication_Circuit/AUDIO_MODULATED_IR_TRANSMITTER.html
Print this Page | Comments | Reading(3)
Code: