Published:2011/4/2 4:22:00 Author:may | Keyword: America TDMA | From:SeekIC

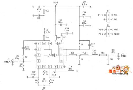
RF2162 constitutive America TDMA application circuit is show in the following picture:
Reprinted Url Of This Article:
http://www.seekic.com/circuit_diagram/Communication_Circuit/America_TDMA_application_circuit_composed_of_RF2162.html
Print this Page | Comments | Reading(3)
Code: