Published:2009/7/9 22:12:00 Author:May | From:SeekIC


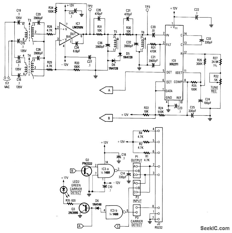
This receiver consists of an input network amplifier IC7 FSK PLL detector ICG, and output amplifier/ interface Q2, Q3, IC3A and IC3B, a 1488 Quad RS232 line driver of the carrier-current signal. Tuned amplifier IC7 amplifies this signal and drives PLL detector IC8. The values shown in the circuit are suitable for operation in the 100-kHz range. Recovered data at pins 5, 6, 7 is fed to the output amplifter/interface circuit (Fig, 6). This circuit is also used with the carrier-current data transmitter to form a pair.
Reprinted Url Of This Article:
http://www.seekic.com/circuit_diagram/Communication_Circuit/CARRIER_CURRENT_RECEIVER_FOR_DATA_TRANSMISSION.html
Print this Page | Comments | Reading(3)
Code: