Published:2014/1/9 19:54:00 Author: | Keyword: Dual channel long-term transmission circuit diagram, | From:SeekIC

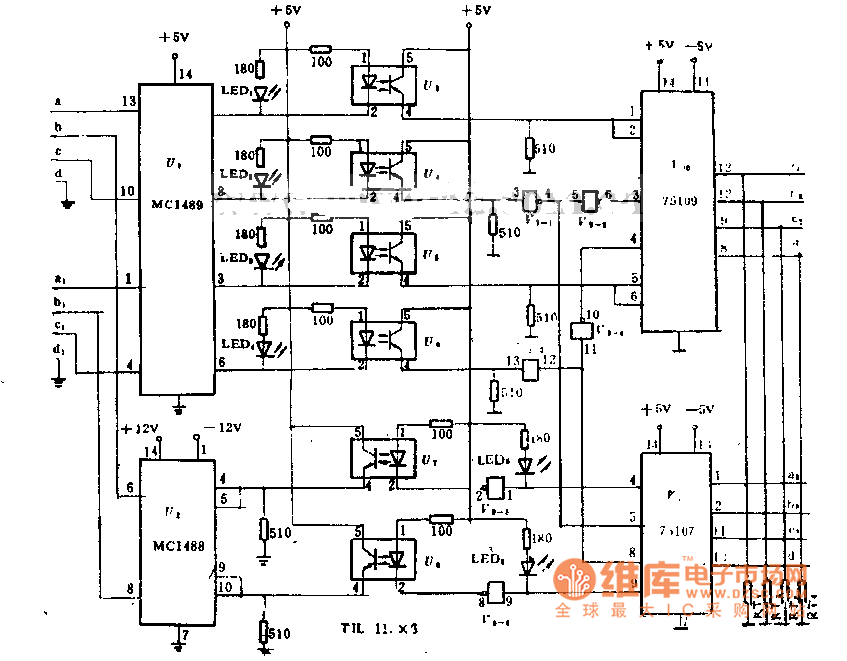
The main features of the long-term transmitter is input and output circuit adopts photoelectric isolation technology, computer and communication lines, communication lines between the terminal equipment and realized the complete electrical isolation. Can prevent the accident on line voltage, electromagnetic induction and jamming signal into the computer and terminal equipment, improve the common on sex and the stability of the computer.
This long-term transmitter circuit can work in the second half duplex or four-wire full-duplex two works. The transfer rate of 0-9, 600 - bit/s, using twisted-pair telephone transmission distance up to 10 km, at close range of computer communication, it can replace the modem.
Shown in the figure for the second line half duplex mode. At this point the first (4) (request) RS - 232 control channel to send and receive state. If it is the logic 1 is the channels for the state, or for the closed state.
If you want to work in four lines full duplex mode, as long as in the figure. A, b, c, d four thread off, and in CZ1 (1), (2), (3), (4) respectively after 1 300 Ω terminating resistance can, at this time without the RS - 232 in the first 4 request control signals.
Reprinted Url Of This Article:
http://www.seekic.com/circuit_diagram/Communication_Circuit/Dual_channel_long_term_transmission_circuit_diagram.html
Print this Page | Comments | Reading(3)
Code: