Published:2011/5/26 6:52:00 Author:Christina | Keyword: FET, FM, wireless microphone | From:SeekIC

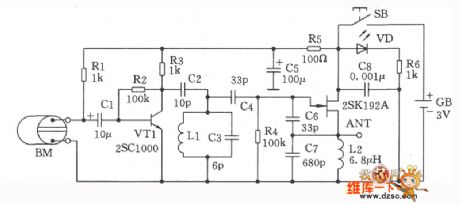
The FET FM wireless microphone circuit is as shown in this figure. This circuit uses the 2SCl000 which has the high amplification coefficient as the microphone amplification stage. The MOSFET 2SKl92A has the functions of oscillation and modulation output. The oscillation frequency is decided by the coil Ll and the parallel capacitor 6pF, by adjusting the microchip of the LI, the oscillation frequency can be changed in the range of 76MHz to 90MHz. At last, you use a ethylene line as the antenna and directly output from the FET's source electrode. In order to prevent the interference between different stages, we use the l00Ω, 47μF capacitance to form the decoupling circuit. When the circuit is working, the light-emitting diode VD turns on. The output port of the circuit do not need the buffer stage to work.
Reprinted Url Of This Article:
http://www.seekic.com/circuit_diagram/Communication_Circuit/FET_FM_wireless_microphone_circuit.html
Print this Page | Comments | Reading(3)
Code: