Published:2009/7/2 2:13:00 Author:May | From:SeekIC


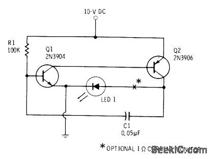
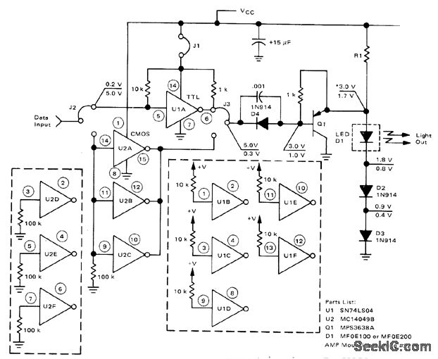
Will handle NRZ data rates to 10 megabits or square waves to 5MHz。 Input is rrL- or CMOS-compatible depending on circuit selected.Transmitter drawsonly 150 mA from 5-V supply for TTL or from 5-15 V supply for CMOS Choose RI to glve LED drive current for proper operation of system For TTL operation,jumpers J1,J2,and J3 are connected as shown. For CMOS operation, remove J1 and transfer J2 and J3 to altemate positions for connecting to U2. Choice of LED depends on system length and desired data rate.Power supply can be HP6218A or equivalent. DC voltages shown are for TTL interface, with uppervaluefor LED on at 50 mA and lowervalue for LED off.- Basic Experimental Fiber Optic Systems, Motorola, Phoenix, AZ, 1978.
Reprinted Url Of This Article:
http://www.seekic.com/circuit_diagram/Communication_Circuit/FIBER_OPTIC_TRANSMTTER.html
Print this Page | Comments | Reading(3)
Code: