Published:2009/6/24 23:53:00 Author:May | From:SeekIC

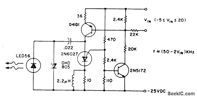
The basic circuit can be operated at 80 kHz and is limited by the PUT capacitor combi-nation. 60 kHz is the maximum modulation fre-quency. The pulse repetition rate is a linear function of VIN, the modulating voltage. Lenses or reflectors minimizes stray light noise effects. Greater output can be obtained by using a larger capacitor, which also gives a lower operating frequency, or using a higher power output IRED such as the F5D1. Average power consumption of the transmitter circuit is less than 3 watts.
Reprinted Url Of This Article:
http://www.seekic.com/circuit_diagram/Communication_Circuit/FM_PRM_OPTICAL_TRANSMITTER.html
Print this Page | Comments | Reading(3)
Code: