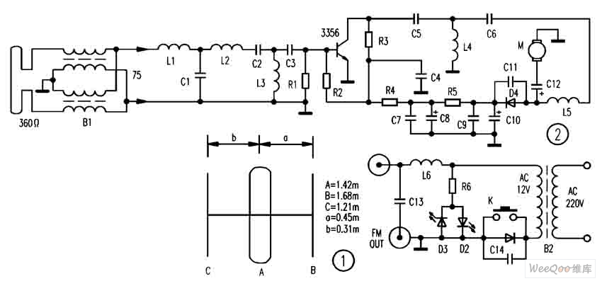
Published:2011/10/20 21:09:00 Author:Rebekka | Keyword: FM broadcast , special-purpose electric wire | From:SeekIC

Reprinted Url Of This Article:
http://www.seekic.com/circuit_diagram/Communication_Circuit/FM_broadcast_special_purpose_electric_wire_circuit_diagram.html
Print this Page | Comments | Reading(3)
Code: