Published:2009/6/19 4:18:00 Author:May | From:SeekIC

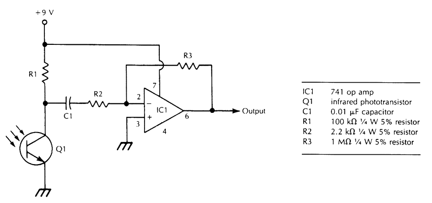
Suitable for amplitude-modulated IR beams, this receiver provides an audio signal that corresponds to the modulation envelope. Phototransistor Q1 should be properly mounted and shielded from stray light. This receiver should drive a small earphone dire
Reprinted Url Of This Article:
http://www.seekic.com/circuit_diagram/Communication_Circuit/GENERAL_PURPOSE_IR_RECEIVER.html
Print this Page | Comments | Reading(3)
Code: