Published:2009/7/5 21:59:00 Author:May | From:SeekIC

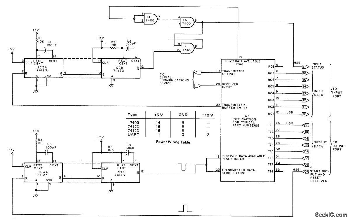
Circuit sets up operating connection between computer and UART (universal asynchronous receiver-transmitter). Eighth bits of I/O ports indicate when data has been successfully transmitted and system is ready to transmit more information. Can be adapted to ny 8-bit computer. IC4 is standard UART such as Signetics 2536, General lnstruments AY 5 1012, Texas Instruments TMS 6011, or American Microsystems S1883. Receiver of UART has seven data lines connected to input port. Article covers handshaking operation in detail and gives typical software routines for parallel I/O handshaking. Technique permits running UART at any desired clock speed, as long as all clocks in system are matched.-T. McGahee, Save Software: Use a UART for Serial IO, BYTE, Dec.1977, p 164-166.
Reprinted Url Of This Article:
http://www.seekic.com/circuit_diagram/Communication_Circuit/HANDSHAKING.html
Print this Page | Comments | Reading(3)
Code: