Published:2009/7/15 22:10:00 Author:Jessie | From:SeekIC

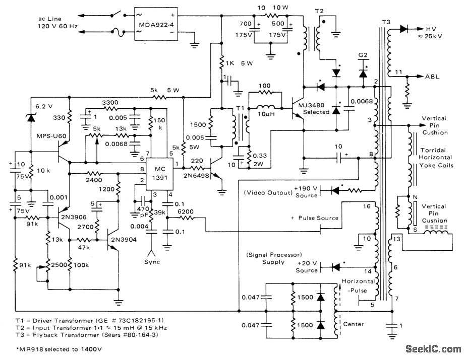
Self-regulating scan system includes short-circuit protection. Provides excellent high-voltage regulation at 25 kV. Vertical yoke current is also stabilized since it is powered from auxiliary fly-back winding. System consumes 30% less power than more conventional circuit using SCR half-wave regulated supply.-R. J. Valentine, A Self-Regulating Horizontal Scan System, Motorola, Phoenix, AZ, 1975, AN-750, p 7.
Reprinted Url Of This Article:
http://www.seekic.com/circuit_diagram/Communication_Circuit/HORIZONTAL_SYSTEM_FOR_19_INCH_COLOR.html
Print this Page | Comments | Reading(3)
Code: