Published:2009/7/6 4:46:00 Author:May | From:SeekIC

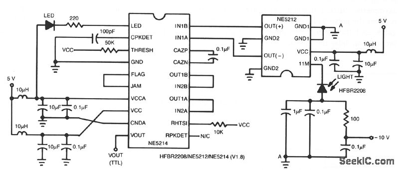
This two-chip receiver with minimum external component count has been designed for low-cost fiber optic applications to 100-M baud (50 MHz). The receiver is divided into pre- and postamplifier ICs for increased stability. The preamplifier IC features low noise with a differential transresistance design. The postamplifier IC incorporates an auto-zeroed first stage with noise shaping, high-gain symmetrical-limiting amplifier, and a matched rise/fall time TTL output buffer. A wide-band full-wave rectifier functions as a link-status indicator. To ensure stability, a surface mount, small outline (SO), package is used. The received signal in the - 35 dBm optical (average) to -9 dBm range is converted into a small unipolar current by the pin diode. The pin diode then feeds its signal current to a preamplifier, such as the NE5212.The preamplifier output is fed to a high-gain limiting amplifier, simply known as the post amp.
The NE5214/NE5217 postamplifters are low-cost ICs that provide up to 60 dB of gain at 50 MHz to bring mV level signals up to TTL levels. The postamplifter IC incorporates an auto-zeroed first stage with noise shaping, a high-gain symmetrical-limiting amplifier, and a matched rise/fall time TTL output buffer. A secondary amplifier chain functions as a link-status indicator.
Reprinted Url Of This Article:
http://www.seekic.com/circuit_diagram/Communication_Circuit/LOW_COST_100_M_BAUD_FIBER_OPTIC_RECEIVER.html
Print this Page | Comments | Reading(3)
Code: